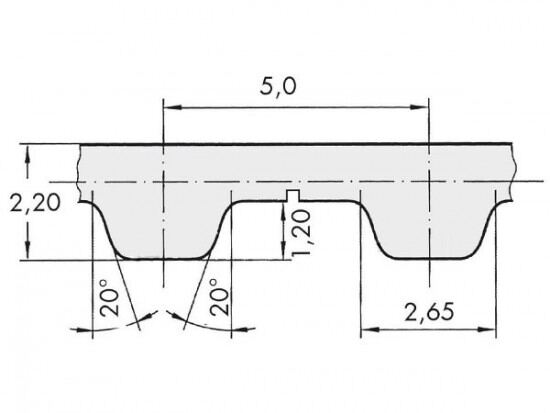
Řemen ozubený 25 T5 / 1800 AFX optibelt ALPHA FLEX

Řemen ozubený 25 T5 / 1800 AFX optibelt ALPHA FLEX

Kód produktu: 
4014486021981
Dostupnost:
Na dotaz
3 051 Kč
2 521 Kč bez DPH