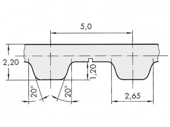
Řemen ozubený 25 T5 / 1700 AFX optibelt ALPHA FLEX

Řemen ozubený 25 T5 / 1700 AFX optibelt ALPHA FLEX

Kód produktu: 
4014486021929
Dostupnost:
Na dotaz
2 801 Kč
2 315 Kč bez DPH