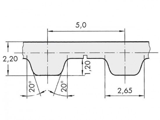
Řemen ozubený 25 T5 / 1600 AFX optibelt ALPHA FLEX

Řemen ozubený 25 T5 / 1600 AFX optibelt ALPHA FLEX

Kód produktu: 
4014486021868
Dostupnost:
Na dotaz
2 734 Kč
2 259 Kč bez DPH