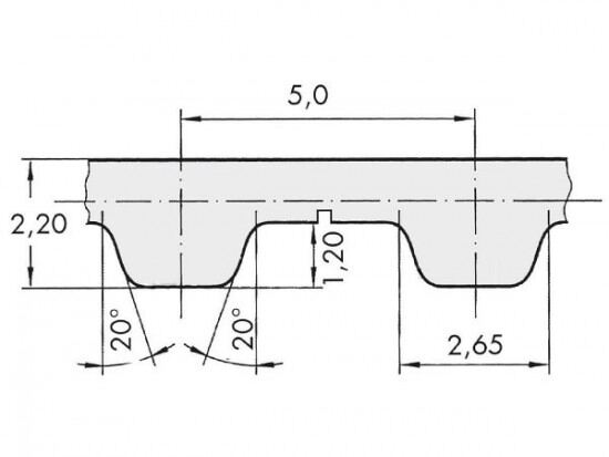
Řemen ozubený 25 T5 / 1300 AFX optibelt ALPHA FLEX

Řemen ozubený 25 T5 / 1300 AFX optibelt ALPHA FLEX

Kód produktu: 
4014486832822
Dostupnost:
Na dotaz
2 523 Kč
2 085 Kč bez DPH