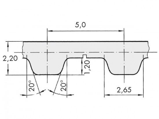
Řemen ozubený 25 T5 / 12000 AFX optibelt ALPHA FLEX

Řemen ozubený 25 T5 / 12000 AFX optibelt ALPHA FLEX

Kód produktu: 
4044978604637
Dostupnost:
Na dotaz
18 685 Kč
15 443 Kč bez DPH