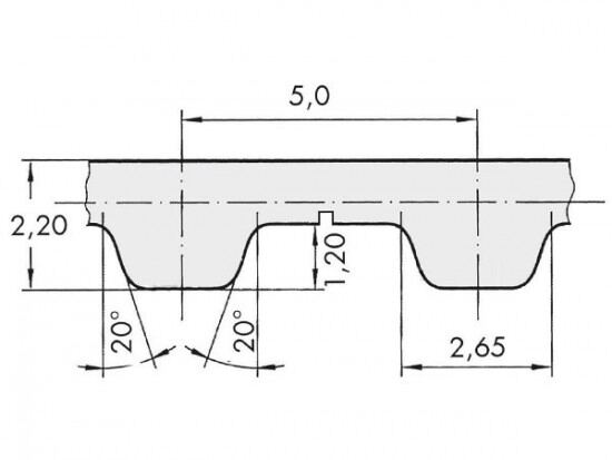
Řemen ozubený 25 T5 / 1200 AFX optibelt ALPHA FLEX

Řemen ozubený 25 T5 / 1200 AFX optibelt ALPHA FLEX

Kód produktu: 
4014486832761
Dostupnost:
Na dotaz
2 449 Kč
2 024 Kč bez DPH