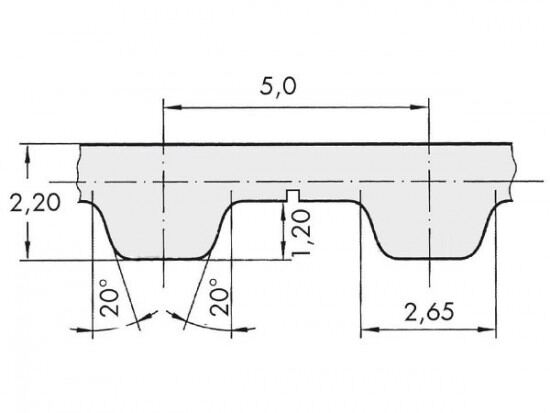
Řemen ozubený 25 T5 / 11800 AFX optibelt ALPHA FLEX

Řemen ozubený 25 T5 / 11800 AFX optibelt ALPHA FLEX

Kód produktu: 
4044978614070
Dostupnost:
Na dotaz
18 363 Kč
15 176 Kč bez DPH