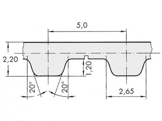
Řemen ozubený 25 T5 / 11200 AFX optibelt ALPHA FLEX

Řemen ozubený 25 T5 / 11200 AFX optibelt ALPHA FLEX

Kód produktu: 
4044978603968
Dostupnost:
Na dotaz
17 491 Kč
14 455 Kč bez DPH