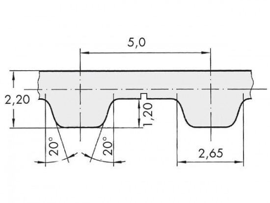
Řemen ozubený 25 T5 / 11000 AFX optibelt ALPHA FLEX

Řemen ozubený 25 T5 / 11000 AFX optibelt ALPHA FLEX

Kód produktu: 
4044978610560
Dostupnost:
Na dotaz
17 237 Kč
14 245 Kč bez DPH