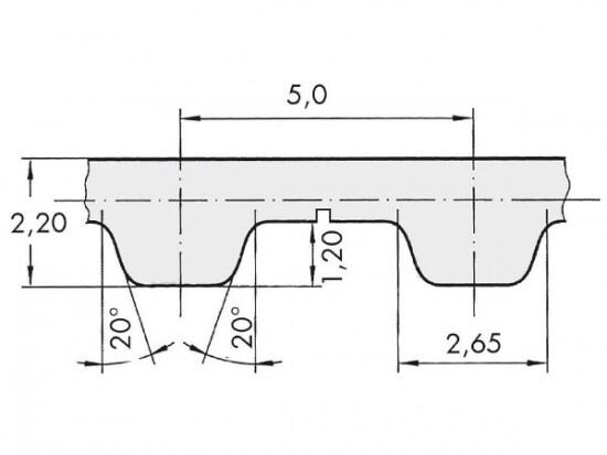
Řemen ozubený 25 T5 / 1100 AFX optibelt ALPHA FLEX

Řemen ozubený 25 T5 / 1100 AFX optibelt ALPHA FLEX

Kód produktu: 
4014486832709
Dostupnost:
Na dotaz
2 354 Kč
1 945 Kč bez DPH