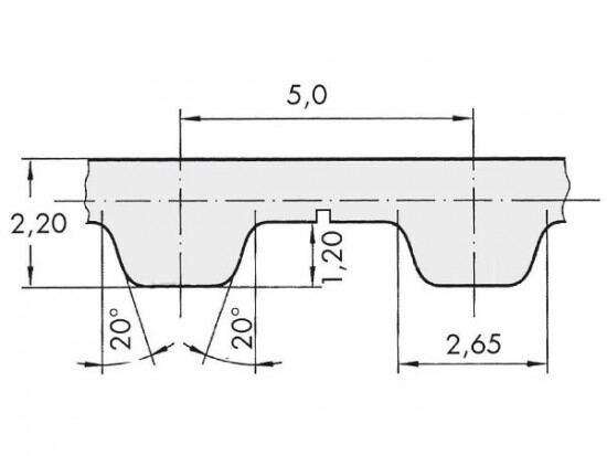
Řemen ozubený 25 T5 / 10800 AFX optibelt ALPHA FLEX

Řemen ozubený 25 T5 / 10800 AFX optibelt ALPHA FLEX

Kód produktu: 
4044978604583
Dostupnost:
Na dotaz
16 939 Kč
13 999 Kč bez DPH