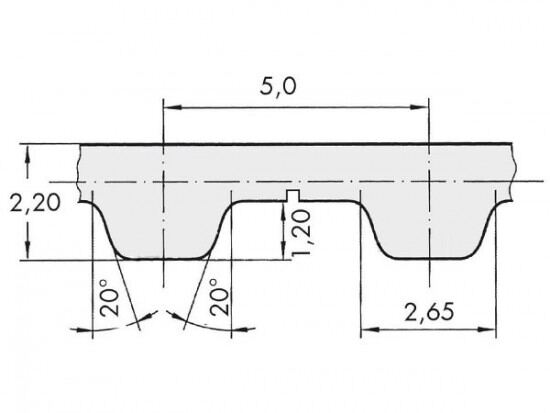
Řemen ozubený 25 T5 / 10400 AFX optibelt ALPHA FLEX

Řemen ozubený 25 T5 / 10400 AFX optibelt ALPHA FLEX

Kód produktu: 
4044978612304
Dostupnost:
Na dotaz
16 341 Kč
13 505 Kč bez DPH