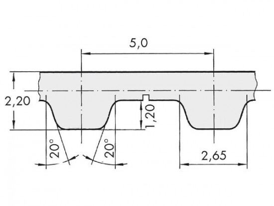
Řemen ozubený 25 T5 / 10200 AFX optibelt ALPHA FLEX

Řemen ozubený 25 T5 / 10200 AFX optibelt ALPHA FLEX

Kód produktu: 
4044978608369
Dostupnost:
Na dotaz
16 019 Kč
13 239 Kč bez DPH