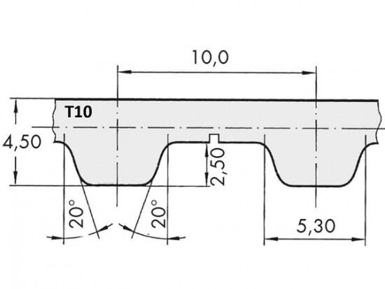
Řemen ozubený 25 T10 / 9800 AFX optibelt ALPHA FLEX

Řemen ozubený 25 T10 / 9800 AFX optibelt ALPHA FLEX

Kód produktu: 
4014486448887
Dostupnost:
Na dotaz
17 237 Kč
14 245 Kč bez DPH