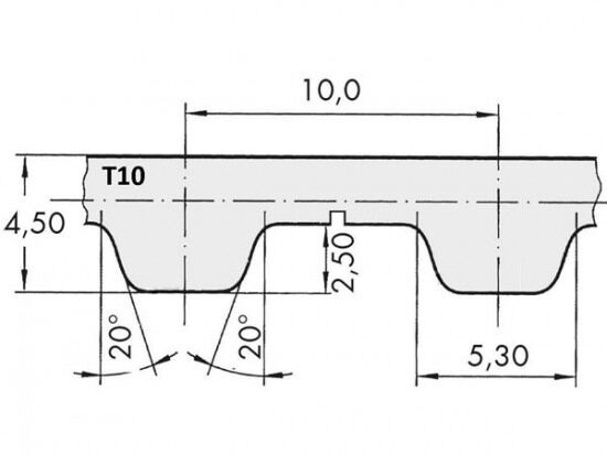
Řemen ozubený 25 T10 / 6800 AFX optibelt ALPHA FLEX

Řemen ozubený 25 T10 / 6800 AFX optibelt ALPHA FLEX

Kód produktu: 
4044978586209
Dostupnost:
Na dotaz
12 410 Kč
10 257 Kč bez DPH