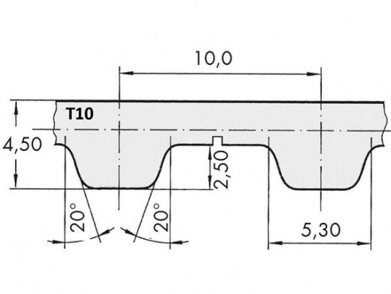
Řemen ozubený 25 T10 / 6600 AFX optibelt ALPHA FLEX

Řemen ozubený 25 T10 / 6600 AFX optibelt ALPHA FLEX

Kód produktu: 
4044978596109
Dostupnost:
Na dotaz
12 067 Kč
9 973 Kč bez DPH