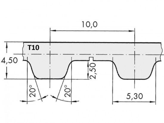
Řemen ozubený 25 T10 / 6400 AFX optibelt ALPHA FLEX

Řemen ozubený 25 T10 / 6400 AFX optibelt ALPHA FLEX

Kód produktu: 
4044978593283
Dostupnost:
Na dotaz
11 745 Kč
9 706 Kč bez DPH