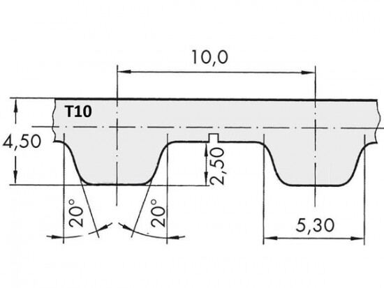
Řemen ozubený 25 T10 / 6200 AFX optibelt ALPHA FLEX

Řemen ozubený 25 T10 / 6200 AFX optibelt ALPHA FLEX

Kód produktu: 
4044978590466
Dostupnost:
Na dotaz
11 447 Kč
9 460 Kč bez DPH