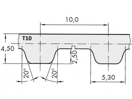
Řemen ozubený 25 T10 / 5800 AFX optibelt ALPHA FLEX

Řemen ozubený 25 T10 / 5800 AFX optibelt ALPHA FLEX

Kód produktu: 
4014486090314
Dostupnost:
Na dotaz
10 711 Kč
8 852 Kč bez DPH