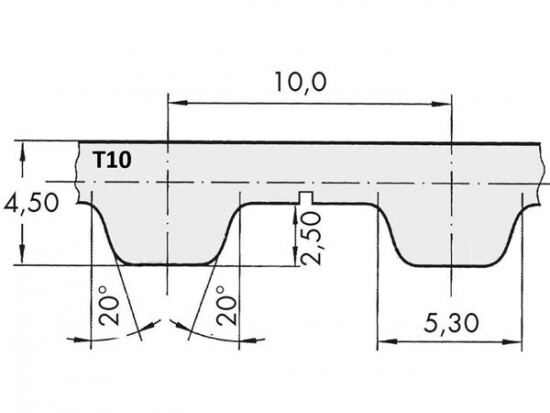
Řemen ozubený 25 T10 / 5600 AFX optibelt ALPHA FLEX

Řemen ozubený 25 T10 / 5600 AFX optibelt ALPHA FLEX

Kód produktu: 
4014486090253
Dostupnost:
Na dotaz
10 434 Kč
8 623 Kč bez DPH