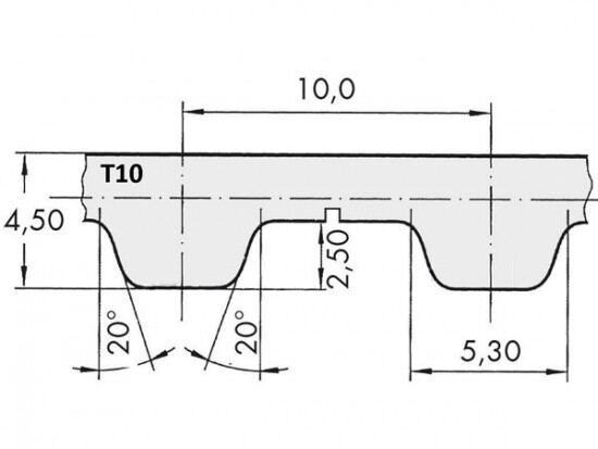
Řemen ozubený 25 T10 / 4800 AFX optibelt ALPHA FLEX

Řemen ozubený 25 T10 / 4800 AFX optibelt ALPHA FLEX

Kód produktu: 
4014486090017
Dostupnost:
Na dotaz
8 940 Kč
7 388 Kč bez DPH