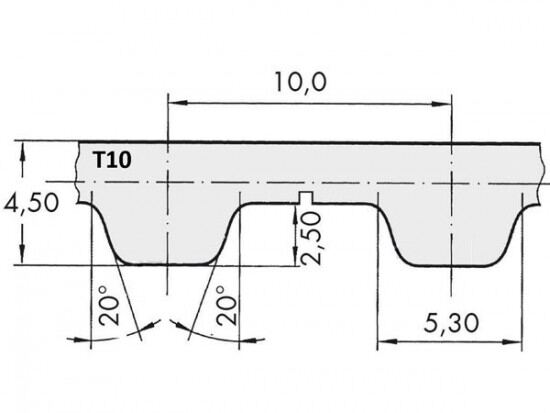
Řemen ozubený 25 T10 / 4200 AFX optibelt ALPHA FLEX

Řemen ozubený 25 T10 / 4200 AFX optibelt ALPHA FLEX

Kód produktu: 
4014486089837
Dostupnost:
Na dotaz
7 838 Kč
6 478 Kč bez DPH