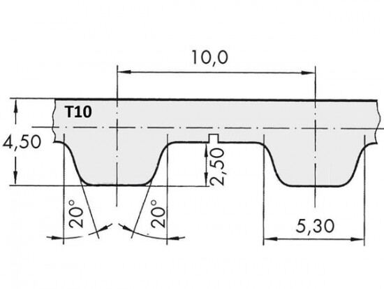
Řemen ozubený 25 T10 / 3800 AFX optibelt ALPHA FLEX

Řemen ozubený 25 T10 / 3800 AFX optibelt ALPHA FLEX

Kód produktu: 
4014486089714
Dostupnost:
Na dotaz
7 102 Kč
5 870 Kč bez DPH