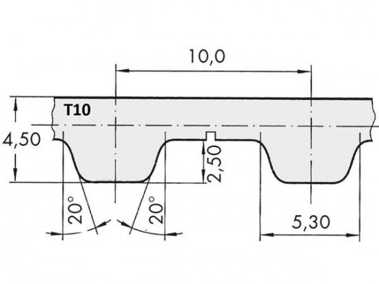
Řemen ozubený 25 T10 / 3200 AFX optibelt ALPHA FLEX

Řemen ozubený 25 T10 / 3200 AFX optibelt ALPHA FLEX

Kód produktu: 
4014486089530
Dostupnost:
Na dotaz
5 769 Kč
4 768 Kč bez DPH