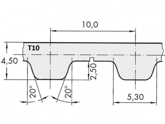
Řemen ozubený 25 T10 / 2800 AFX optibelt ALPHA FLEX

Řemen ozubený 25 T10 / 2800 AFX optibelt ALPHA FLEX

Kód produktu: 
4014486089356
Dostupnost:
Na dotaz
5 124 Kč
4 235 Kč bez DPH