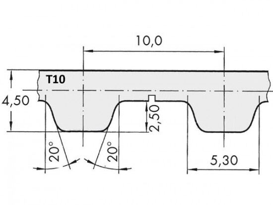
Řemen ozubený 25 T10 / 2200 AFX optibelt ALPHA FLEX

Řemen ozubený 25 T10 / 2200 AFX optibelt ALPHA FLEX

Kód produktu: 
4014486088915
Dostupnost:
Na dotaz
4 068 Kč
3 362 Kč bez DPH