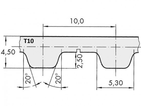
Řemen ozubený 25 T10 / 2100 AFX optibelt ALPHA FLEX

Řemen ozubený 25 T10 / 2100 AFX optibelt ALPHA FLEX

Kód produktu: 
4014486088854
Dostupnost:
Na dotaz
3 863 Kč
3 192 Kč bez DPH