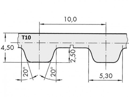
Řemen ozubený 25 T10 / 2000 AFX optibelt ALPHA FLEX

Řemen ozubený 25 T10 / 2000 AFX optibelt ALPHA FLEX

Kód produktu: 
4014486088793
Dostupnost:
Na dotaz
3 677 Kč
3 039 Kč bez DPH