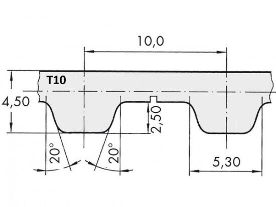
Řemen ozubený 25 T10 / 1800 AFX optibelt ALPHA FLEX

Řemen ozubený 25 T10 / 1800 AFX optibelt ALPHA FLEX

Kód produktu: 
4014486088472
Dostupnost:
Na dotaz
3 292 Kč
2 720 Kč bez DPH