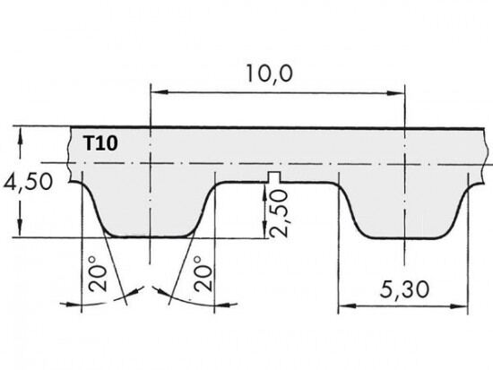
Řemen ozubený 25 T10 / 11000 AFX optibelt ALPHA FLEX

Řemen ozubený 25 T10 / 11000 AFX optibelt ALPHA FLEX

Kód produktu: 
4044978603708
Dostupnost:
Na dotaz
19 099 Kč
15 784 Kč bez DPH