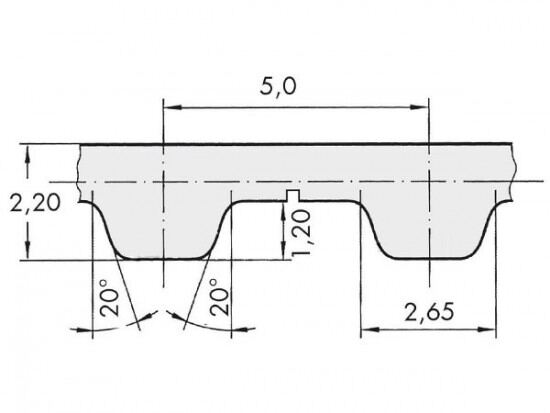
Řemen ozubený 16 T5 / 9800 AFX optibelt ALPHA FLEX

Řemen ozubený 16 T5 / 9800 AFX optibelt ALPHA FLEX

Kód produktu: 
4044978609908
Dostupnost:
Na dotaz
10 918 Kč
9 023 Kč bez DPH