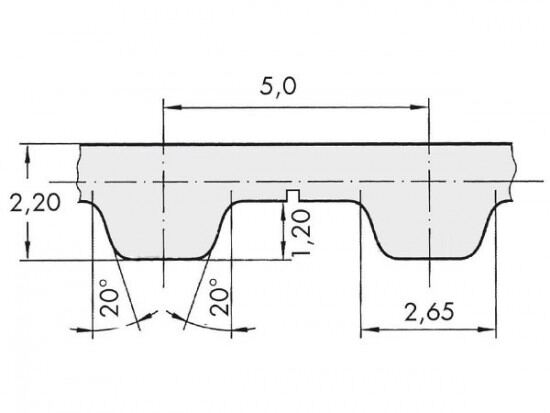
Řemen ozubený 16 T5 / 9400 AFX optibelt ALPHA FLEX

Řemen ozubený 16 T5 / 9400 AFX optibelt ALPHA FLEX

Kód produktu: 
4044978612717
Dostupnost:
Na dotaz
10 479 Kč
8 661 Kč bez DPH