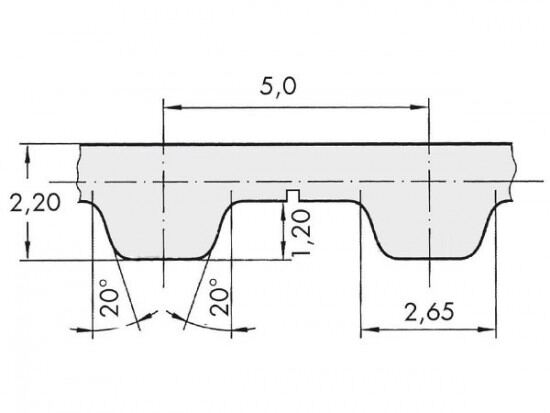
Řemen ozubený 16 T5 / 9200 AFX optibelt ALPHA FLEX

Řemen ozubený 16 T5 / 9200 AFX optibelt ALPHA FLEX

Kód produktu: 
4044978614827
Dostupnost:
Na dotaz
10 250 Kč
8 471 Kč bez DPH