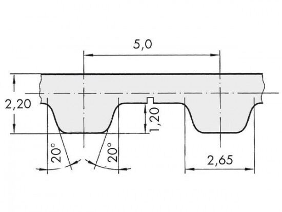
Řemen ozubený 16 T5 / 9000 AFX optibelt ALPHA FLEX

Řemen ozubený 16 T5 / 9000 AFX optibelt ALPHA FLEX

Kód produktu: 
4044978619303
Dostupnost:
Na dotaz
10 089 Kč
8 338 Kč bez DPH