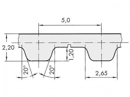
Řemen ozubený 16 T5 / 8600 AFX optibelt ALPHA FLEX

Řemen ozubený 16 T5 / 8600 AFX optibelt ALPHA FLEX

Kód produktu: 
4044978609816
Dostupnost:
Na dotaz
9 584 Kč
7 921 Kč bez DPH