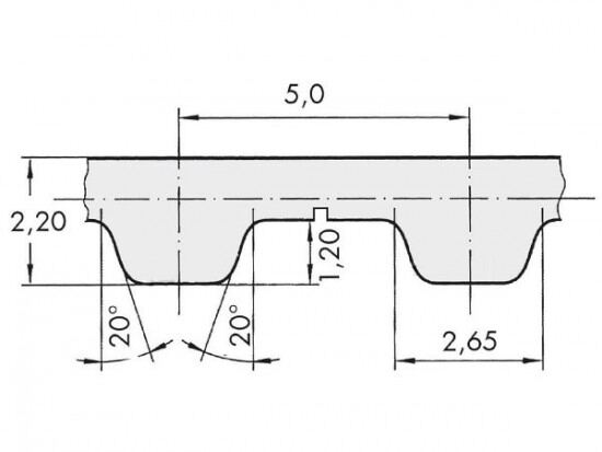
Řemen ozubený 16 T5 / 8400 AFX optibelt ALPHA FLEX

Řemen ozubený 16 T5 / 8400 AFX optibelt ALPHA FLEX

Kód produktu: 
4044978614971
Dostupnost:
Na dotaz
9 424 Kč
7 788 Kč bez DPH