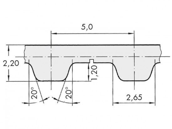
Řemen ozubený 16 T5 / 8200 AFX optibelt ALPHA FLEX

Řemen ozubený 16 T5 / 8200 AFX optibelt ALPHA FLEX

Kód produktu: 
4044978604385
Dostupnost:
Na dotaz
9 171 Kč
7 579 Kč bez DPH