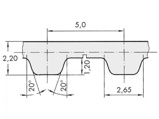
Řemen ozubený 16 T5 / 7800 AFX optibelt ALPHA FLEX

Řemen ozubený 16 T5 / 7800 AFX optibelt ALPHA FLEX

Kód produktu: 
4044978617057
Dostupnost:
Na dotaz
8 710 Kč
7 199 Kč bez DPH