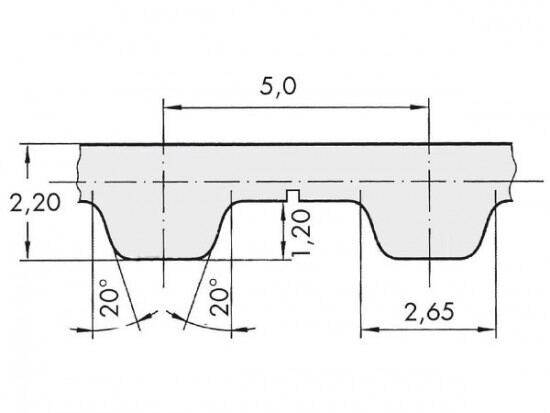
Řemen ozubený 16 T5 / 7200 AFX optibelt ALPHA FLEX

Řemen ozubený 16 T5 / 7200 AFX optibelt ALPHA FLEX

Kód produktu: 
4014486445091
Dostupnost:
Na dotaz
8 067 Kč
6 667 Kč bez DPH