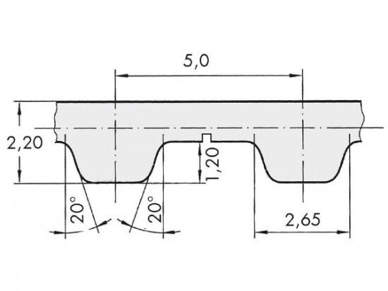
Řemen ozubený 16 T5 / 7000 AFX optibelt ALPHA FLEX

Řemen ozubený 16 T5 / 7000 AFX optibelt ALPHA FLEX

Kód produktu: 
4044978592453
Dostupnost:
Na dotaz
7 861 Kč
6 496 Kč bez DPH