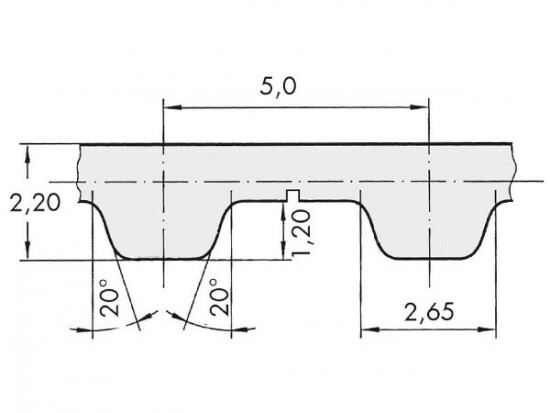
Řemen ozubený 16 T5 / 6000 AFX optibelt ALPHA FLEX

Řemen ozubený 16 T5 / 6000 AFX optibelt ALPHA FLEX

Kód produktu: 
4014486023596
Dostupnost:
Na dotaz
6 805 Kč
5 624 Kč bez DPH