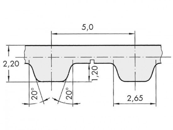
Řemen ozubený 16 T5 / 5600 AFX optibelt ALPHA FLEX

Řemen ozubený 16 T5 / 5600 AFX optibelt ALPHA FLEX

Kód produktu: 
4044978591005
Dostupnost:
Na dotaz
6 389 Kč
5 280 Kč bez DPH