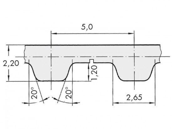
Řemen ozubený 16 T5 / 5400 AFX optibelt ALPHA FLEX

Řemen ozubený 16 T5 / 5400 AFX optibelt ALPHA FLEX

Kód produktu: 
4044978597779
Dostupnost:
Na dotaz
6 253 Kč
5 168 Kč bez DPH