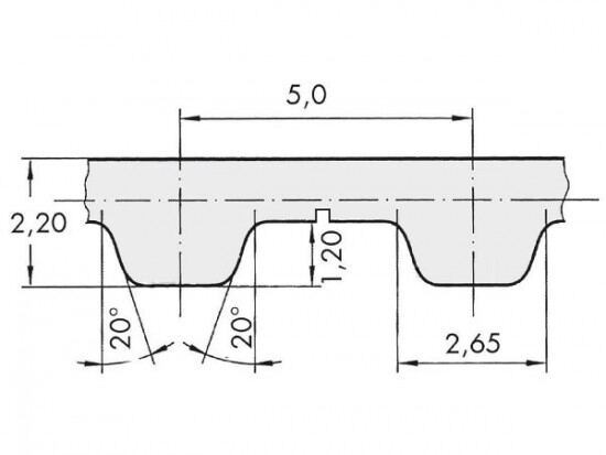
Řemen ozubený 16 T5 / 5200 AFX optibelt ALPHA FLEX

Řemen ozubený 16 T5 / 5200 AFX optibelt ALPHA FLEX

Kód produktu: 
4014486023350
Dostupnost:
Na dotaz
5 930 Kč
4 901 Kč bez DPH