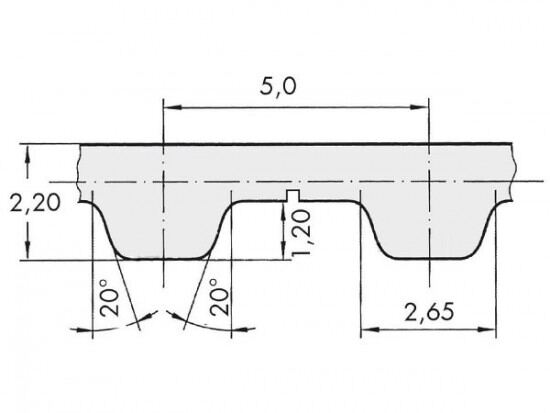
Řemen ozubený 16 T5 / 5000 AFX optibelt ALPHA FLEX

Řemen ozubený 16 T5 / 5000 AFX optibelt ALPHA FLEX

Kód produktu: 
4014486023299
Dostupnost:
Na dotaz
5 721 Kč
4 728 Kč bez DPH