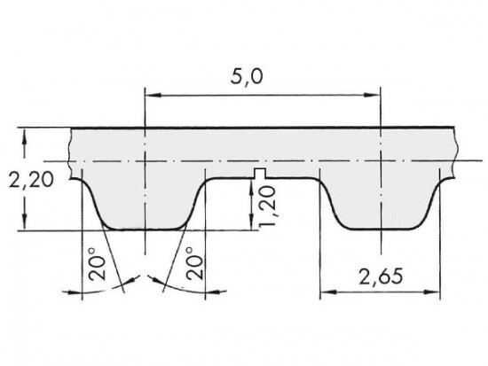
Řemen ozubený 16 T5 / 4800 AFX optibelt ALPHA FLEX

Řemen ozubený 16 T5 / 4800 AFX optibelt ALPHA FLEX

Kód produktu: 
4044978591944
Dostupnost:
Na dotaz
5 494 Kč
4 541 Kč bez DPH