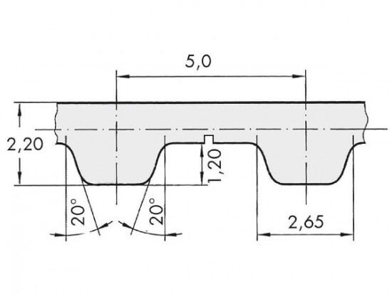
Řemen ozubený 16 T5 / 4600 AFX optibelt ALPHA FLEX

Řemen ozubený 16 T5 / 4600 AFX optibelt ALPHA FLEX

Kód produktu: 
4044978594259
Dostupnost:
Na dotaz
5 285 Kč
4 368 Kč bez DPH