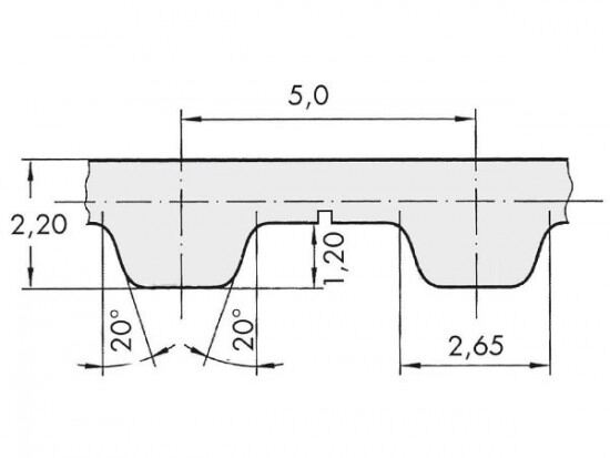
Řemen ozubený 16 T5 / 4400 AFX optibelt ALPHA FLEX

Řemen ozubený 16 T5 / 4400 AFX optibelt ALPHA FLEX

Kód produktu: 
4044978591357
Dostupnost:
Na dotaz
5 081 Kč
4 199 Kč bez DPH