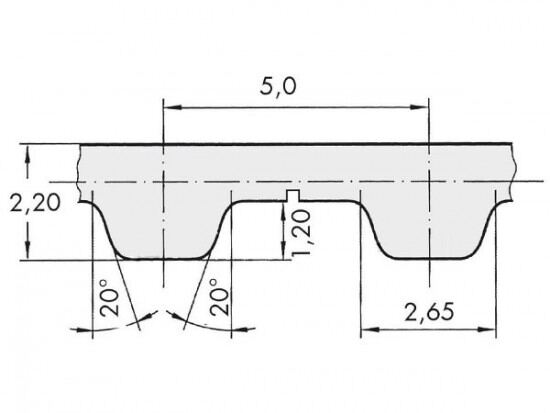
Řemen ozubený 16 T5 / 4200 AFX optibelt ALPHA FLEX

Řemen ozubený 16 T5 / 4200 AFX optibelt ALPHA FLEX

Kód produktu: 
4044978585547
Dostupnost:
Na dotaz
4 872 Kč
4 027 Kč bez DPH