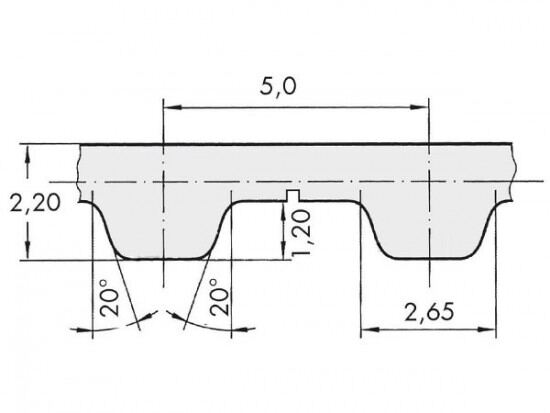
Řemen ozubený 16 T5 / 3800 AFX optibelt ALPHA FLEX

Řemen ozubený 16 T5 / 3800 AFX optibelt ALPHA FLEX

Kód produktu: 
4014486022933
Dostupnost:
Na dotaz
4 436 Kč
3 666 Kč bez DPH